Saicad
Monorail Trolley Assembly
Monorail Trolley Assembly
Couldn't load pickup availability
The Monorail Trolley Assembly is an essential component for any monorail system. It is expertly designed for smooth and efficient transportation, allowing for easy movement of heavy loads with minimal effort. Constructed with precision and durability, it ensures the safe and reliable transport of valuable materials. Truly a must-have for industrial operations.
We make Mono Rail Trolley assembly and I-Beam Trolley in different sizes and configurations suitable for different applications.
I-Beam Trolley are suitable for 1 inch to 6 inch beam applications.
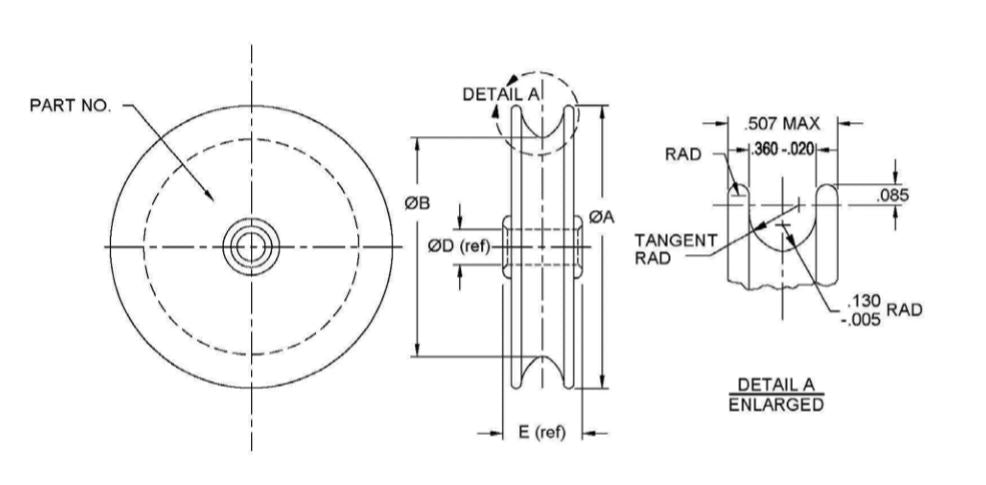
The pictures shown above are of our standard product : Monorail Trolley assembly.
- The standard configuration consists of Pin, Base, Bolt, Pulley , Yoke and Body.
- All parts are made of grade 4130 steel as per MIL-S6758, except the Pulley.
- Pulley per MS 20221A1 , or any other customer material specification.
-
All parts of the assembly are :
- Heat Treated per MIL-H-6875 to BHN C26-C32
- Stress Relieved
- Welding as per MIL-STD-278
- Cadmium plating per QQ-P-416, Type II,Class 1
- Galvanize per ASTM A 153
The above are our product standards, but we welcome different configurations based upon customer specifications.We prefer to buy the Pulley and wheel assemblies from Ralmark.
Every product is supplied with a load test certificate and material certifications.
Share
